Skip to content

Vickers Unloading Valve Assemblies AA-34500-A and AS-34500-A Series Overhaul and Parts Manual

$17.00
SKU 40783:R

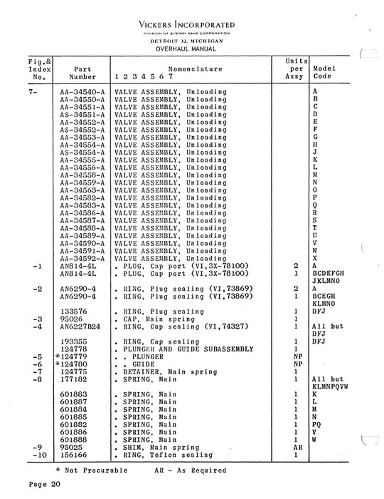
AA-34500-A and AS-34500-A Series Unloading Valve Assembles Overhaul and Parts. Dated June 1, 1957. Manual Number 910200.  26 Pages

Table of Contents: Description, Disassembly, Cleaning, Inspection and Repair, Assembly, Testing, Trouble Shooting, Storage Instructions, Special Tools, Fixtures and Equipment, Illustrated Parts List. 

Models Covered: AA-34540-A, AA34550-A, AA-34551-A, S-34551-A, AA-34552-A, AS-34552-A, AA-34553-, AA-34554-A, AS-34554-A, AA-34555-A, AA-34556-A, AA-34558-A, AA-34559-A, AA-34563-A, AA-34582-A, AA-34583-A, AA-34586-A, AA-34587-A, AA-34588-A, AA-34589-A, AA-34590-A, AA-34591-A, AA-34592-A