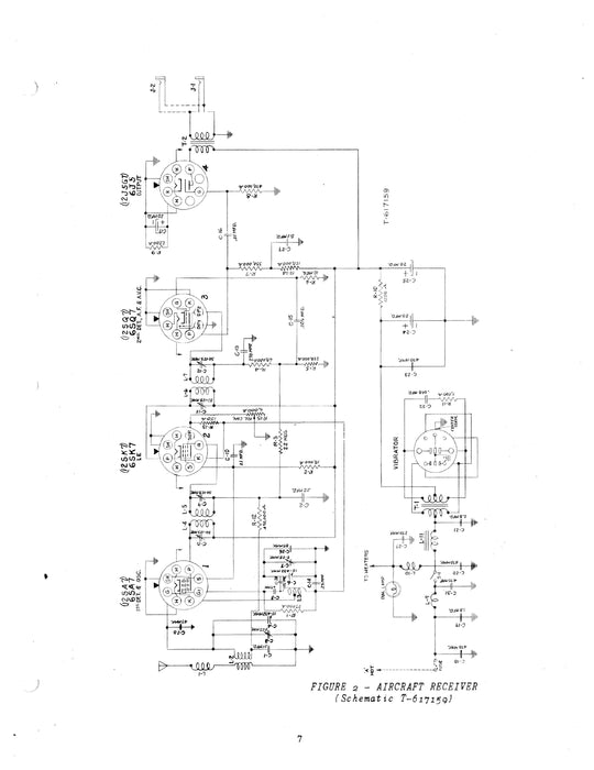
Stinson Aircraft Receiver Model 10-72072, MI-19504A. Manual # 1B-34020
Contents: Technical Summary, Equipment, Description, Installation, Operation, Maintenance, Replacement Parts List. 8 Pages
Stinson Aircraft Receiver Model 10-72072, MI-19504A. Manual # 1B-34020
Contents: Technical Summary, Equipment, Description, Installation, Operation, Maintenance, Replacement Parts List. 8 Pages