Skip to content

Hiller UH-12E Series Main Rotor Head Assembly 1981 Overhaul Manual (Part Nos. 51439-7, 51439-19)

by Hiller
$21.00
SKU 33058:R
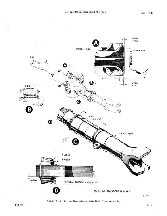
10 August 1981 UH-12E Series Main Rotor Head Assembly Overhaul Part Nos. 51439-7, 51439-19